3线串口共阴极8段16位LED驱动控制专用电路

  • 产品型号:

    GS6932
  • 产品名称:

    3线串口共阴极8段16位LED驱动控制专用电路
  • 封装形式:

    SOP32
  • GS6932是一种LED(发光二极管显示器)驱动控制专用电路,内部集成有MCU数字接口、数据锁存器、LED高压驱动。本产品性能优良,质量可靠。


  • ● 采用功率CMOS工艺
    ● 显示模式(8段×16位)
    ● 辉度调节电路(占空比8级可调)
    ● 串行接口(CLK、STB、DIN)
    ● 振荡方式:RC振荡(450KHz±5%)
    ● 内置上电复位电路
    ● 封装形式:SOP32


  • 主要应用于多段位显示屏驱动,电子秤等。

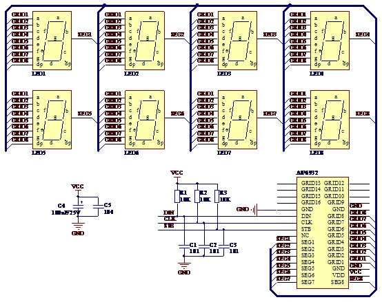
    驱动共阴数码管电路原理图

    驱动共阳数码管电路原理图


  • SOP32
二维码