涓流充电实时时钟芯片

  • 产品型号:

    GS1302
  • 产品名称:

    涓流充电实时时钟芯片
  • 封装形式:

    SOP8
  • GS1302是一块涓流充电时钟芯片电路,包括时钟/日历寄存器和31字节(8位)的数据暂存寄存器,数据通信仅通过一条串行输入输出口。实时时钟/日历提供包括秒、分、时、日期、月份和年份信息。闰年可自行调整,可选择12小时制和24小时制,可以设置AM、PM。
    只通过三根线进行数据控制和传递:RST(Reset)、I/O(Data line)、SCLK(Serial clock)。通过备用电源可以让芯片小于1MW的功率下运作。


  • 时钟计数功能,可以对秒、分、时、日、星期、月、年的计数。年数可达2100年。
    较少I/O引脚传输,通过3引脚控制
    内置高速数据暂存的31 字节非易失性RAM
    工作电压:2.0~5.5V
    工作电流小于320nA(2.0V)
    读写时钟寄存器或内部RAM,可以采用单字节或多字节数据传输模式
    兼容TTL(5.0V)
    兼容DS1202、DS1302较DS1202增加的功能:
    1、可通过VCC1进行涓流充电
    2、双重电源补给
    3、备用电源可采用电池或者超级电容(0.1F以上)


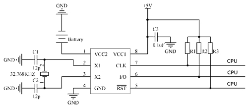
  • 应用说明:
    主电源供电时可接一个0.1uF的去耦电容,可有效提高电源端抗干扰能力。
    晶振选取32.768KHZ,启动电容C1、C2建议值为12pF,当计时不精确时可适当调节C1、C2的容值,容值越大计时越慢,容值越小,计时越快。
    通讯端口可以外接上拉电阻提高通讯抗干扰能力,阻值1k~10k。
    备用电源可以采用3V的纽扣电池或大电解电容(漏电小),100uF可以保证1小时的正常计时。
    GS1302在第一次上电后,必须进行初始化操作,初始化后即可正常调整时间。


  • SOP8
二维码